Patch buzzer

| Model | UG-7525AM | |
| Item | Unit | |
1 | Rated Voltage | V | |
2 | Operating Voltage | V | |
3 | *Rated Current(Max) | mA | |
4 | *Min Sound Output at 10cm | dB | |
5 | *Resonant Frequency | Hz | |
6 | Coil Resistance | Ω | |
7 | Operating Temperature | ℃ | |
8 | Storage Temperature | ℃ | |
9 | Weight | g | |
10 | Housing Material | LCP | |
11 | Lead Pin Material | Brass | |
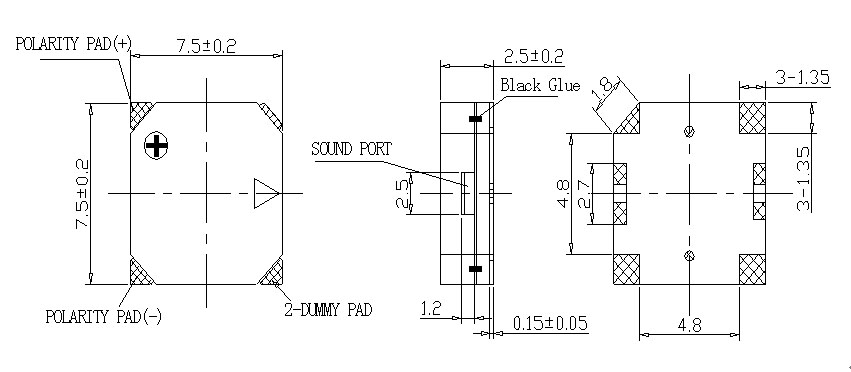
12. Drawing(Fig1) Unit: mm Tolerance:±0.5mm
Follow Us
Mobile Station