
Above Measuring condition under temperature : 25~35℃ R.H. 25 ~75%.According to standard GB/T9396-1996 | ||||||
| Model | UGG-4028008P-2 | ||||
1 | Type | Dynamic Speaker | ||||
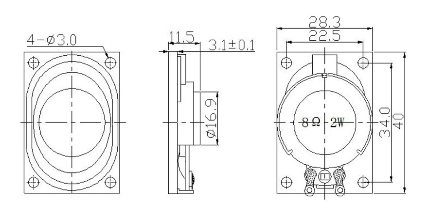
2 | Dimension | Outline Dimension Shall Be As Shown In Fig(1). | ||||
3 | Weight | Approx 12.8 Grams. | ||||
4 | Magnet | Material | Nd-Fe-B | |||
5 | Impedance | 8 | ± 15% Ohm | |||
6 | Power Rating | Normal | 2.0W | Maximum | 3.0W | |
7 | FO | 450±20% Hz | ||||
8 | S.P.L. | 95±3dB/1.0Watt 0.1Meter. At1000.1200.1500.2000Hz. | ||||
Measurement Method Shown In Fig(2). | ||||||
9 | Frequency Range | F0~20,000Hz.Average SPL-10dB. Frequency Response Fig(3). | ||||
10 | Distortion | 5% Maximum At1000Hz. 1.0W | ||||
11 | Abnormal Sound Test | Must be Normal Tested by | 4.0 | Volts.Sine wave for50~5kHz | ||
12 | Polarity | Diaphragm Shall Move Forward When Apply a Positive DC. | ||||
Red“+”or“Marked” Terminal | ||||||
13 | OperatingTemperature | -20°C to +50°C | ||||
14 | Storage Temperature | -25°C to +55°C | ||||
15 | Reliable Test | |||||
After any following test leave speakers at room temperature for 1 hour, SPL shall not deviate by ± 3 db from initial value | ||||||
15-1 | Load Test | white noise for 96 hours at 2.0W input power. | ||||
15-2 | High Temperature Test | +55±2 °C 96hours | ||||
15-3 | Low Temperature Test | -20±2 °C96hours | ||||
15-4 | Humidity Test | +40±2 °C relative humidity 90~95%R.H 96hours | ||||
15-5 | Vibration Test | Frequency 30 ± 15 Hz, Amplitude 1.5 mm for 2 Hours per axis(x. y. z axis) | ||||
15-6 | Temperature Cycle test | 75 CM free falling on Concrete floor, 10 times. | ||||
15-7 | Temperature Cycle test | -25°C ~ + 65°C 5 Cycles Temperature test. | ||||
16. Drawing(Fig1) Unit: mm Tolerance:±0.3mm

17.Frequency Resonance Fig (3).

關(guān)注我們
手機站