有源電磁式蜂鳴器

| Model | UG-1295X-2.3Z-1.5V | |
| Item | Unit | Specifications |
1 | Rated Voltage | V | 1.5 |
2 | Operating Voltage | V | 1~3 |
3 | Resonant Frequency | Hz | 2300±300 |
4 | *Sound Output at 10cm(Min) | dB | 78 |
5 | *Current Consumption(Max) | mA | 30 |
6 | Operating Temperature | ℃ | -30~+70 |
7 | Storage Temperature | ℃ | -40~+85 |
8 | Weight | g | 1 |
9 | RoHS |
| YES |
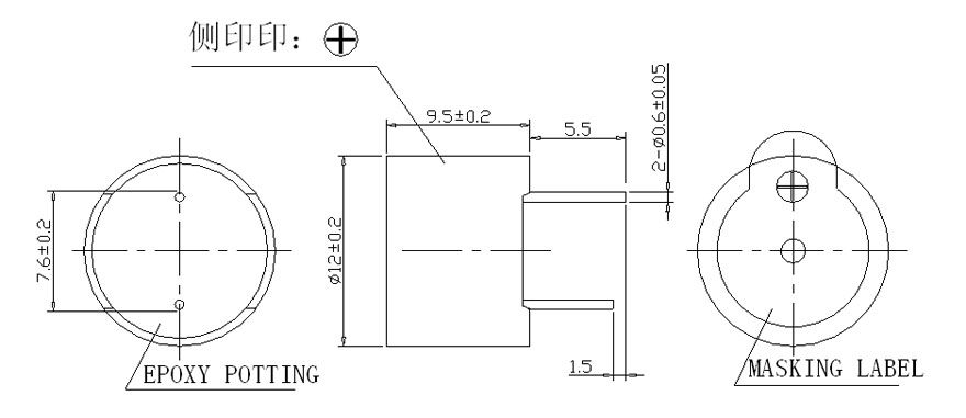
10. Drawing(Fig1) Unit: mm Tolerance:±0.5mm
關(guān)注我們
手機(jī)站